Ropes, Reels & Pulling Accessories
Steel Reels
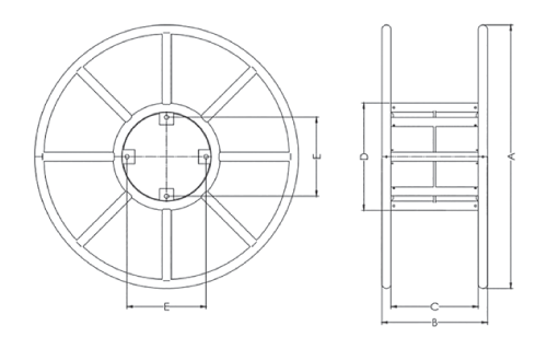
Our steel reels are welded of steel tubes and finished with a high quality painting. Optionally we supply them hot-dip zinc coated. For Zeck Pullers we optional supply them with welded or lasered crossplates. These reels are available in sizes of 520 up to 1,800 mm diameter. Detachable reels are supplied for re-conductoring works, when the wound up conductor needs to be scrapped. For extra long lengths of wire rope we supply galvanized steel drums with a capacity up to 13,000 KG.
For special lengths of wire rope we supply steel drums of any customized size and strength.


non detachable
hot-dip galvanized finishing
| part no. | ZECK GmbH part no. |
dimensions in mm | weight Kg |
|||||
| A | Bฺ | C | D | E | F | |||
| TSR-01-0520 | 77-9030 | 520 | 420 | 334.6 | 264 | 160 | 50 | 29 |
| TSR-01-1100 | 77-9034 | 1100 | 560 | 460 | 570 | 420 | 50 | 73 |
| TSR-01-1400 | 77-9035 | 1400 | 560 | 460 | 570 | 420 | 50 | 83 |
| TSR-01-1450 | 77-9038 | 1450 | 560 | 460 | 570 | 420 | 50 | 85 |
| TSR-01-1900 | - | 1900 | 560 | 460 | 570 | 420 | 50 | 108 |
non-detachable
painted finishing
| part no. |
ZECK GmbH part no. |
dimensions in mm | weight Kg |
||||||
| A | B | C | D | DT | E | F | |||
| TSR-02-0520 | 77-9030-L | 520 | 420 | 334.6 | 264 | - | 160 | 50 | 29 |
| TSR-02-1100 | 77-9034-L | 1100 | 560 | 460 | 570 | - | 420 | 50 | 71 |
| TSR-02-1400 | 77-9035-L | 1400 | 560 | 460 | 570 | - | 420 | 50 | 81 |
| TSR-02-1450 | 77-9038-L | 1450 | 560 | 460 | 570 | - | 420 | 50 | 83 |
| TSR-02-1900 | - | 1900 | 560 | 460 | 570 | - | 420 | 50 | 106 |

detachable
hot-dip galvanized finishing
| part no. |
ZECK GmbH part no. |
dimensions in mm | weight Kg |
||||||
| A | B | C | D | DT | E | F | |||
| TSR-03-1100 | 77-9052 | 1100 | 560 | 460 | 570 | 680 | 420 | 50 | 79 |
| TSR-03-1400 | 77-9054 | 1400 | 560 | 460 | 570 | 715 | 420 | 50 | 93 |
detachable
painted finishing
| part no. |
ZECK GmbH part no. |
dimensions in mm | weight Kg |
||||||
| A | B | C | D | DT | E | F | |||
| TSR-04-1100 | 77-9052-L | 1100 | 560 | 460 | 570 | 680 | 420 | 50 | 76 |
| TSR-04-1400 | 77-9054-L | 1400 | 560 | 460 | 570 | 715 | 420 | 50 | 90 |

Optional Equipment:
| part no. | description | thickness mm |
weight Kg |
| TSR-00-01 | one pair of bolted crossplate, punched, electro galvanized plate for fitting the reel winder shaft of Zeck Pullers | 6 | 5.20 |
